本新型是一種可防表頭過度旋轉的流量計,所述聯接頭上設有凹槽,在所述回槽內設有密封圈。上述可防表頭過度旋轉的流量計,通過在傳感器座上設置防轉動片,在表頭聯接座上設置與防轉動片相對應的防轉動軸,當轉動表頭時,表頭聯接座跟隨表頭一起轉動,從而帶動防轉動軸轉動,當防轉動軸轉動到與防轉動片相接觸位置時,防轉動片阻止防轉動軸繼續(xù)轉動,表頭也因此不能繼續(xù)轉動,從而保護了測量組件內電線與表頭的連接關系,提高了流量計的穩(wěn)定性和使用壽命。
附圖說明
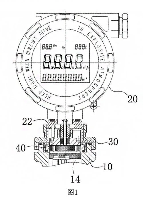
圖1是本可防表頭過度旋轉的流量計結構示意圖。
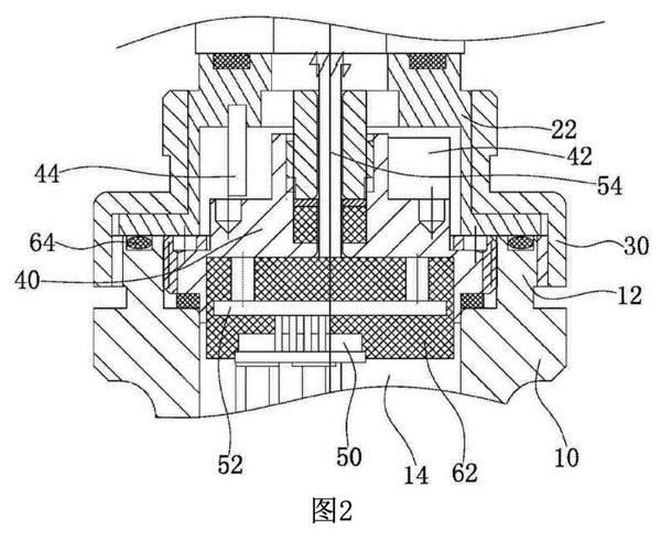
圖2是本可防表頭過度旋轉的流量計局部放大圖。
圖3是本可防表頭過度旋轉的流量計連接關系示意圖。

圖中各個標號統(tǒng)一說明如下:10、殼體:12、聯接頭:14、流體通道:20、表頭22、表頭聯接座:30、聯接蓋:40、傳感器座:42、防轉動片:44、防轉動軸:50、差壓傳感器52、電路板:54、通孔:62、密封膠:64、密封圈。
具體實施方式
下面將結合附圖及實施例對本新型的可防表頭過度旋轉的流量計作進一步的詳細說明
請參見圖1、圖3,本實施例的一種可防表頭過度旋轉的流量計,包括表頭20和殼體10,表頭20與売體10通過聯接蓋30連接,殼體10內設有流體通道14,在流體通道14內設有差壓傳感器50,差壓傳感器50通過電線與表頭20連接,差壓傳感器50將數據信號通過電線傳輸至表頭20內,通過表頭內安裝的數據處理單元和顯示單元分別將傳感器輸送過來的信號進行處理和顯示。
參見圖2,還包括固定連接表頭20的表頭聯接座22、聯接蓋30、傳感器座40和聯接頭12,殼體10內設有流體通道14,殼體10上設有與流體通道14相通的連接口,聯接頭12為連接口邊緣向外延伸的一圏凸起,傳感器座40為法蘭結構并設于聯接頭12內,表頭聯接座22為蓋結構并倒扣設于聯接頭12和傳感器座40上方,表頭聯接座22與聯接頭12的外表面分別設有外螺紋,聯接蓋30設有與外螺相對應的內螺紋,聯接蓋30分別與表頭聯接座22和聯接頭12螺紋連接,并使表頭聯接座22與聯接頭12緊密連接,在傳感器座40上固定設有防轉動片42,在表頭聯接座22內固定設有與防轉動片42相對應的防轉動軸44,還包括電路板52和與電路板52電性連接的差壓傳感器50,差壓傳感器50設于流體通道14內,電路板52設于差壓傳感器50上方并固定連接在傳感器座40下方,傳感器座40中央設有通孔54,電路板52上設有電線接頭并連接有電線,電路板52通過電線穿過通孔54與表頭20連接。
通過在傳感器座上設置防轉動片42,在表頭聯接座22上設置與防轉動片42相對應的防轉動軸4,當轉動表頭20時,表頭聯接座22眼隨表頭20一起轉動,從而帶動防轉動軸44轉動,當防轉動軸轉44動到與防轉動片42相接觸位置時,防轉動片42阻止防轉動軸44繼續(xù)轉動,表頭20也因此不能繼續(xù)轉動,從而保護了測量組件內電線與表頭20的連接關系,提高了流量計的穩(wěn)定性和使用壽命。
設置的防轉動片42,可以是豎直固定設于傳感器座40上的擋片結構,防轉動軸44可以為柱體結構或與其類似的桿狀體結構,其一端與表頭聯接座22固定,另一端與防轉動片42接觸,當旋轉表頭時,防轉動軸44與防轉動片42分離,當旋轉一定角度至防轉動軸與防轉動片另一面相接觸時,表頭20與連接頭12相互旋轉的角度小于360度,因此,無論旋轉表頭20多少次,均不會使殼體內電線過度扭轉。
在殼體10內,殼體10與表頭聯接座22通過聯接蓋30連接在一起,安裝時,先將傳感器座40安裝在連接口內固定,在傳感器座40、電路板52和差壓傳感器50之間填充有密封膠62,通過密封膠62,使差壓傳感器50、電路板52、傳感器座40三者固定連接:在聯接頭12上設有回槽,在四槽內設有密封圈64,在將表頭聯接座22倒扣安裝在傳感器座和連接頭12上,密封圏64使聯接頭與表頭聯接座22密封性能更好,表頭聯接座22與聯接頭12為同直徑大小,后旋轉聯接蓋30將表頭聯接座22通過聯接蓋30連接在一起。
本流量計具有可防止表頭過度旋轉而破壞殼體內部線路的優(yōu)點,設計結構巧妙,結構簡單,便于安裝,提高了流量計的穩(wěn)定性和使用壽命。
上一條:
在什么情況下采用兩對電極的電磁流量計
下一條:
電磁流量計工作原理演示